* TinkerDifferent *
Retro Computing Community
Home | Forums | What's New | Search | Settings
Tantalum vs Electrolytic. Can I just always use tantalum?

Forums > The Lab > Soldering and Repair

BeigeBoxSC
New Tinkerer
Richmond, VA
--------
Joined: Oct 30, 2021
Posts: 13
Likes: 9
Jan 12, 2025 - #1
I have used both when recapping my vintage Macs. Is there a reason I shouldn't use tantalums to replace electrolytics? I like the idea of doing a permanent fix and not having to worry about leakage in another 10-15 years. But are there pitfalls to tantalums I should be aware of?

Liked by JDW

Nycturne
Tinkerer
--------
Joined: Dec 18, 2024
Posts: 98
Likes: 62
Jan 13, 2025 - #2
I'm sure this is not everything, but the two things off the top of my head that I'd keep in mind:

1) Make sure to properly derate the tantalums. Many of these capacitors are filter caps meant to smooth ripple coming from the power supply rails. The brand I use say derate by 50% when constant voltage is applied (true for these filter caps), which generally means 16V electrolytics need to be replaced with 25V tantalums to keep failure rates low when used on these 12V rails.

2) What I've read is that solid tantalums will most commonly fail short. With these filter caps, that will short one of the PSU's voltage rails. On my Quadra 605, that means hoping the fuse in the PSU blows before any permanent damage is done to the PSU or the logic board itself from carrying too much current.

I'm curious what others say here, as we're trading one failure mode for another with this type of swap. It's quite possible that failing short here is still more desirable (and easier to recover/repair) than dealing with aging capacitors that threaten to leak electrolyte.

Liked by BeigeBoxSC

mdeverhart
New Tinkerer
--------
Joined: Apr 17, 2022
Posts: 12
Likes: 4
Jan 13, 2025 - #3
The main thing is that tantalums should be derated by 50% for the voltage rating - if the capacitor will see 5V (like a decoupling capacitor connected to 5V and GND), then you should use a capacitor with a minimum voltage rating of 10V or more.

The biggest drawbacks are with their failure modes - they tend to explode when they fail, and they tend to fail shorted. For a decoupling capacitor that would mean shorting the power rail (say 5V or 12V) to GND, which would then cause the power supply to go into shutdown mode or blow a fuse. The risk of this can be reduced by properly derating them.

Another consideration is that some circuits (especially analog ones, like audio or monitor drive circuits) can be sensitive to capacitor characteristics other than capacitance and voltage rating (especially equivalent series resistance, or ESR). For those circuits substituting a capacitor with different characteristics can cause the circuit to not perform as intended.

For most logic board recaps you should be fine with tantalums as long as you derate them properly. I personally use solid polymer electrolytic capacitors where I can, rather than tantalum's.

Liked by BeigeBoxSC

JDW
Administrator
Japan
--------
Joined: Sep 2, 2021
Posts: 2,534
Likes: 1,981
Jan 13, 2025 - #4
@BeigeBoxSC
The previous two posts offer excellent advice about voltage doubling for "SOLID" tantalum capacitors. Polymer Tantalum offers lower ESR, a benign failure mode (doesn't fail shorted), but at a significantly higher price. These days, I use OS-CON wherever possible because they cost about the same or less than SOLID Tantalum, but you don't need to double the working voltage, since slight over-voltage won't turn them into little fireballs.

I also concur with the previous statements about audio circuit capacitors. I am not an audio design engineer, but I can tell you that may audiophiles tend to avoid tantalums in their audio circuits. I personally can't say one thing or another about that. Just passing that info along. But for the low-end audio we get on vintage Macs, I skeptical if that no-tantalum rule even applies.

For a deeper dive on recapping in general, the video below may prove helpful. I made it 4 years ago, but the info is still very relevant today.


Liked by DevyDevly,Nycturne,wottleand 1 other person

Nycturne
Tinkerer
--------
Joined: Dec 18, 2024
Posts: 98
Likes: 62
Jan 13, 2025 - #5
>> JDW said:
I also concur with the previous statements about audio circuit capacitors. I am not an audio design engineer, but I can tell you that may audiophiles tend to avoid tantalums in their audio circuits. I personally can't say one thing or another about that. Just passing that info along. But for the low-end audio we get on vintage Macs, I skeptical if that no-tantalum rule even applies. Click to expand...

After looking at the Quadra 605 schematic again and comparing to the recapping list, every single replaced capacitor is a filter capacitor. 4 of them are used to smooth out the power signals the sound chip uses, yes, but these are still used to shunt power supply noise to ground. What I see of testing audio capacitors, they are part of the analog input/output circuit, not part of the power handling circuit, so I'd expect the ones we care about to be more forgiving and have noise levels that are still quite low as a result.

I honestly expect that it's the 22kHz sample rate that is the bigger contributor to the "low-end audio" sound out of 68k Macs. Having your DAC's low pass filter cut off everything above 11kHz will make things sound a bit flat.

JDW
Administrator
Japan
--------
Joined: Sep 2, 2021
Posts: 2,534
Likes: 1,981
Jan 14, 2025 - #6
>> Nycturne said:
I honestly expect that it's the 22kHz sample rate that is the bigger contributor to the "low-end audio" sound out of 68k Macs. Having your DAC's low pass filter cut off everything above 11kHz will make things sound a bit flat. Click to expand...
Exactly.
So even if you were to connect some really fabulous audiophile-grade speakers to the headphone jack on your Mac, the audio the Mac produces is still limited by that sampling rate. That's why I don't think it would matter if you replaced all the caps in the audio circuit with tantalums, which often goes against the best advice from the audio gurus.

But of course, the only way to know for sure would be to first recap with the same exact capacitor type and voltage-spec and capacitance, then record audio out from the headphone jack into a great quality audio recorder (I use a SONY D100, which is pretty fabulous), then recap with tantalums or your preferred replacement capacitors. Record the same exact audio from the headphone jack. Then compare in Audacity or TwistedWave while also doing a critical listening test.

I actually did similar audio testing (recording audio from the headphone jack into my SONY D100 at 24-bit, 48kHz, while testing the WarpSE by @Zane Kaminski . It's a fabulous way to detect noise.

>> Nycturne said:
After looking at the Quadra 605 schematic again and comparing to the recapping list, every single replaced capacitor is a filter capacitor . 4 of them are used to smooth out the power signals the sound chip uses, yes, but these are still used to shunt power supply noise to ground. What I see of testing audio capacitors, they are part of the analog input/output circuit, not part of the power handling circuit, so I'd expect the ones we care about to be more forgiving and have noise levels that are still quite low as a result. Click to expand...

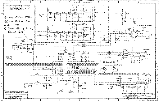
For others reading this thread, here is the audio page from the Q605 schematic:

Attachments:
1736814206002.png [View]

Nycturne
Tinkerer
--------
Joined: Dec 18, 2024
Posts: 98
Likes: 62
Jan 14, 2025 - #7
>> JDW said:
Exactly. So even if you were to connect some really fabulous audiophile-grade speakers to the headphone jack on your Mac, the audio the Mac produces is still limited by that sampling rate. That's why I don't think it would matter if you replaced all the caps in the audio circuit with tantalums, which often goes against the best advice from the audio gurus. Click to expand...

Agreed. I cannot tell the difference with my Polk Reserves, but I don't listen that loud.

Now, if the caps were actually in the analog side of the circuit, I could maybe see someone hearing the difference, but they'd have to listen pretty loud to hear it. TI did some measuring that suggested you should still be able to get the full dynamic range of 16-bit down to 150Hz in the worst case with tantalums. Below that, it depends on a couple things, but it does mean that midrange and even upper bass should be unaffected. You'd get some additional noise/distortion in the bass region, but we are still talking about >70dB of dynamic range in the worst case.

>> JDW said:
But of course, the only way to know for sure would be to first recap with the same exact capacitor type and voltage-spec and capacitance, then record audio out from the headphone jack into a great quality audio recorder (I use a SONY D100, which is pretty fabulous), then recap with tantalums or your preferred replacement capacitors. Record the same exact audio from the headphone jack. Then compare in Audacity or TwistedWave while also doing a critical listening test. Click to expand...

I think it'd be a little easier to see a difference in the power filter caps with an analysis looking at the noise floor of a pure sine wave output. If there's a measurable difference, it'll show up there. Now I'm curious where the noise floor is on these machines. Old DACs of this era were actually pretty good, but it doesn't mean there wasn't sources of noise in the amplifier stage and it's not like Apple would have done much to keep the audio circuit pristine beyond keeping traces short.

All that said, I'm generally more worried about these things failing short. Now I'm curious about the OS-CON capacitors and will look into them.

Liked by JDW

Page 1 of 1

Home | Forums | What's New | Search | Bookmarks | RSS | Original | Settings
XenForo Retro Proxy by TinkerDifferent.com