* TinkerDifferent *
Retro Computing Community
Home | Forums | What's New | Search | Settings
Homemade MIDI switching (3in 3out)

Forums > The Lab > Hardware

Mu0n
Active Tinkerer
Quebec
--------
Joined: Oct 29, 2021
Posts: 649
Likes: 606
Feb 28, 2024 - #1
I have 3 MIDI producing "controller" "things"

  • Mac SE/30 sending out MIDI data through a serial port, through an Anatek Pocket Mac box using stuff like Cubase
  • WeeCee (486/pentium industrial compatible vintage PC) sending MIDI data through the regular pin12 of the game port
  • Keytar from Xbox 360 Rock Band 3, it really has a MIDI out (!!)
I have 3 MIDI devices that can accept MIDI signals and produce sounds, aka MIDI modules
  • Roland MT-32
  • Roland Sound Canvas 88ST
  • Kawai GMega LX
Right now, connecting a controller to the sound producing device involves disconnecting and reconnecting those chunky DIN5 MIDI cables and it's a pain. I'd like to have a serial box that selects 1 active midi controller, and links it to 1 active MIDI sound producing device, using each a slider switch.




After reviewing a few switch design, I zeroed in on this model:


which turns out to be incompatible with my perf board (oops) but heh, whatever, I'll mount them on the sides



First up, connect all ground (center pins) together on the underside (using small pins that I extracted as a pin header to help create solder canals)



Next up, the 3 input pins #4 (VCC) each go to their respective switch pins on the overside:



Next, the intermediary pins are connected together, are always involved no matter which switch position we use and are sent out grouped to the intermediary pins of the output switch.



Copy what I do with the pins #5 (signal) on the underside, paying attention to the reversed orientation:



Here, we can see the "double pole" nature of this switch from the sides:


wiring finished on the underside:



The first test is conclusive!! I was able to connect my M-Audio Sono 88 to my Roland SC-88ST and play some notes. If I moved either input or output switch, it stopped working. Bringing them back made it work again!

WORKS ON FIRST TRY!


Attachments:
1709068396753.png [View]
1709068682193.png [View]
1709101986130.png [View]
1709102046449.png [View]
1709102092335.png [View]
1709102169331.png [View]
1709102219938.png [View]
1709102251835.png [View]
1709102268034.png [View]
1709102334712.png [View]

Liked by ericandStinkerton18

Mu0n
Active Tinkerer
Quebec
--------
Joined: Oct 29, 2021
Posts: 649
Likes: 606
Feb 28, 2024 - #2
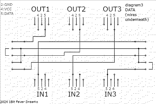
This is the best diagram that gives all possible views of the connector and cable, clearly outlining which it is and from which of the two sides.



Here are my diagrams.

ALL views are from the top side, ie the MIDI female sockets are seen from above, but these 3 wires can be either on the top side of the board or the bottom side (the diagram specifies which)



VCC lines:



DATA lines:


Attachments:
1709125435365.png [View]
MIDI 3x3 switch_D1_GND.png [View]
MIDI 3x3 switch_D2_VCC.png [View]
MIDI 3x3 switch_D3_SIGNAL.png [View]

Liked by Certificate of Excellence

Mu0n
Active Tinkerer
Quebec
--------
Joined: Oct 29, 2021
Posts: 649
Likes: 606
Feb 28, 2024 - #3
And the way these DP4T (double pole, 4 throw) switches work, is that I use 3 pins as inputs, 2 intermediary pins as output. I get 3 unique configurations out of it with one repeating.

"double pole" means that 2 things are routed at the same time: the VCC on the top side and the Signal on the bottom side.
"4 throw" means that there are 4 different positions of the switch.

I'll dedicate them as such:

input choice 1: SE/30
input choice 2 & 3: WeeCee
input choice 3: free/keytar

output choice 1: Roland MT-32
output choice 2 & 3: Roland SC-88ST
output choice 3: Kawai GMega LX

Here are examples of the input side, all 4 "throw" positions. Notice the repetition with switch positions 2 and 3.



Attachments:
switch1.png [View]
switch2.png [View]
switch3.png [View]
switch4.png [View]

Liked by Certificate of Excellence

Mu0n
Active Tinkerer
Quebec
--------
Joined: Oct 29, 2021
Posts: 649
Likes: 606
Feb 28, 2024 - #4
Attachments:
1709138214417.png [View]

Mu0n
Active Tinkerer
Quebec
--------
Joined: Oct 29, 2021
Posts: 649
Likes: 606
Jul 28, 2024 - #5
Update:

I'm working on a video.

Short story: the GND pins must *not* be connected together.
it was drowning the signal when all connectors were present.

pin2 of the DIN5 sockets are only tied to the midi cables' shielding, nothing else. Not between each other.

Details in there:

Mu0n
Active Tinkerer
Quebec
--------
Joined: Oct 29, 2021
Posts: 649
Likes: 606
Jul 29, 2024 - #6

Liked by Nitram78

Page 1 of 1

Home | Forums | What's New | Search | Bookmarks | RSS | Original | Settings
XenForo Retro Proxy by TinkerDifferent.com