* TinkerDifferent *
Retro Computing Community
Home | Forums | What's New | Search | Settings
Compact Mac Video Adapter

Forums > Vintage Apple > Macintosh > Compact Macs

Stephen
BetterBit
San Francisco
--------
Joined: Sep 5, 2021
Posts: 215
Likes: 264
Nov 21, 2021 - #1
Some time in 1988, a small company created a video output adapter for early compact macs with the model number 2702. There are other models, but the focus of my post is on this adapter. I can only assume they were a small company with a handful of employees because later the following year they incorporated in Washington state as Power R, Inc.

Just a few months prior to this post I had never heard of the company. It wasn't until Alex (a.k.a. Zone66x) shared an intriguing eBay link. A few days after seeing the eBay listing and over a hundred dollars later, I had the adapter in my hands. The electric goodies were potted in epoxy but I wasn't going to be discouraged; I started with boiling.



In spite of a random guide I found on the internet, this approach yielded practically no results. Next was the oven but again, very little progress. My last result was a combination of soldering iron and hot air from a solder rework gun. The gun yielded the best results and in fact made short work of the epoxy.

The secrets of the video adapter were beginning to show themselves. This was a Power R, Inc. model 2702. It's a video adapter for the 128k, 512k, and Plus. There's also a version for the SE and SE/30. However, whatever secrets there may be they we becoming reasonably straight forward. So much, that Larry Pina had written about a similar adapter strategy in his 1990 book, "Macintosh Repair & Upgrade Secrets books" (link, see pages 168, 172).


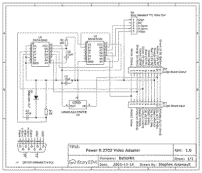
GitHub

If you're interested in the technical specs or making your own, you can find the PCBs and schematics on my GitHub repo -- and if you enjoy this project please feel free to leave a star on the repo!

Almost exactly 13 years after formally establishing Power R, Inc., the business operated by James Baker dissolved in 2002. I could not find additional information about James or any other business ventures. Power R, Inc. offered video adapters for several popular Apple computer lineups. I would be very interested if James would consider open sourcing these early creations (lest some other schmuck has to boil their hundred dollar PCB).
Attachments:
IMG_1722.JPG [View]
IMG_1675.jpg [View]
Power R 2702 Schematics.pdf__LORES.jpg [View]

Liked by Jockelill,Kai Robinson,Genjokeand 11 others

JDW
Administrator
Japan
--------
Joined: Sep 2, 2021
Posts: 2,534
Likes: 1,982
Nov 22, 2021 - #2
@Stephen, in June of this year, someone sent me some photos of a board he found inside his SE, which somewhat resembles your photos...

[Image: kodak board 1.jpg][Image: kodak_rear_bracket.png][Image: kodak2.jpg][Image: kodak3.jpg][Image: kodak4.jpg]

He said it clipped onto one of the LS245 chips...

[Image: SE_lb_clip.jpg]


He has no idea what the original function was, and there doesn't appear to be any info on it when Googling.

Any thoughts?
Attachments:
kodak board 1.jpg [View]
kodak_rear_bracket.png [View]
kodak2.jpg [View]
kodak3.jpg [View]
kodak4.jpg [View]
SE_lb_clip.jpg [View]

Liked by JeffC,Ron's Computer VideosandStephen

alxlab
Active Tinkerer
--------
Joined: Sep 23, 2021
Posts: 293
Likes: 323
Nov 22, 2021 - #3

Here's what Elfen had to say about it at 68kmla:

There used to be an LCD Panel that you put on an overhead projector to project the Mac Screen onto a larger screen, it was for the 128K - Plus and SE Series Macs. That is the adapter for that LCD Panel. It goes onto the mother board and the analog board plugs into it so you wont lose the original video, and then a third cable comes out of the case to the LCD Panel. The Bd of Ed used to have hundreds of those but stupid teachers would always drop and break the LCD Panel!!! Click to expand...


Liked by Stephen

Stephen
BetterBit
San Francisco
--------
Joined: Sep 5, 2021
Posts: 215
Likes: 264
Nov 22, 2021 - #4
>> alxlab said:
Here's what Elfen had to say about it at 68kmla : Click to expand...
Good find! It definitely looks like a similar in part to Larry Pina's schematic.

warmech
Tinkerer
--------
Joined: Oct 30, 2021
Posts: 82
Likes: 106
Nov 22, 2021 - #5
I'm curious, then - what the heck kind of display can you attach to it? Surely a TTL display is not just a drop-in compatible option, no?

Stephen
BetterBit
San Francisco
--------
Joined: Sep 5, 2021
Posts: 215
Likes: 264
Nov 22, 2021 - #6
>> warmech said:
I'm curious, then - what the heck kind of display can you attach to it? Surely a TTL display is not just a drop-in compatible option, no? Click to expand...
I believe a CGA monitor would accept the signal but it would also depend on the frequencies supported by the individual displays.

RetroTheory
Tinkerer
--------
Joined: Oct 17, 2021
Posts: 82
Likes: 127
Nov 22, 2021 - #7
In the book "Build_Your_Own_Macintosh_and_Save_a_Bundle" 1992 it mentions that a Multisync TTL monitors were used with these boards, or modify MDA/Hercules monitors to the correct frequency.

It also mentions the Princeton MAX-15 Monitor which was an autosynchronous monochrome monitor.
Attachments:
catmac.jpg (150.6 KB)

Liked by Stephen

Ron's Computer Videos
Active Tinkerer
--------
Joined: Oct 15, 2021
Posts: 199
Likes: 278
Dec 1, 2021 - #8
>> JDW said:
@Stephen , in June of this year, someone sent me some photos of a board he found inside his SE, which somewhat resembles your photos... View attachment 1344 View attachment 1345 View attachment 1346 View attachment 1347 View attachment 1348 He said it clipped onto one of the LS245 chips... View attachment 1349 He has no idea what the original function was, and there doesn't appear to be any info on it when Googling. Any thoughts? Click to expand...

Simple TTL video adapter for the 128k/512k/Plus/SE(&30) for Kodak Projectors (specifically the Kodak Datashow).

Attachments:
1638380268189.png [View]

Liked by falecore,retr01andStephen

JDW
Administrator
Japan
--------
Joined: Sep 2, 2021
Posts: 2,534
Likes: 1,982
Dec 1, 2021 - #9
>> Ron's Computer Videos said:
Simple TTL video adapter for the 128k/512k/Plus/SE(&30) for Kodak Projectors (specifically the Kodak Datashow). Click to expand...

Does that mean you have the board below in one of your Mac's, Ron? If so, could I see a photo of it installed on your motherboard?

Attachments:
1638394056658.png [View]

Rappi
New Tinkerer
--------
Joined: Jan 1, 2022
Posts: 3
Likes: 2
Jan 1, 2022 - #10
I have the exact same Mac Video Adapter FSI 1988, mine has the white wire cut off. Can someone post a photo of where this white wire connects?
Thank you.

Attachments:
Mac Video Adapter FSI 1988.jpg [View]

JDW
Administrator
Japan
--------
Joined: Sep 2, 2021
Posts: 2,534
Likes: 1,982
Jan 1, 2022 - #11
>> Rappi said:
I have the exact same Mac Video Adapter FSI 1988 , mine has the white wire cut off. Can someone post a photo of where this white wire connects? Thank you. Click to expand...
That would depend on which vintage Mac you have. I recently spotted the photo below which shows a white wire connection to a Mac Classic motherboard, but the other connections appear to have been cut off. We really need the installation manual for these things.



Based on other photos I've seen, it would appear that the connectors at either end of the PCB are a motherboard pass-through connector for the Mac Plus and earlier.



I assume the two connectors on the sides of the PCB must be motherboard pass-through connectors for the SE-series and Classic (where your red-wire connector attaches).
Attachments:
1641073943801.png [View]
1641074281910.png [View]

Rappi
New Tinkerer
--------
Joined: Jan 1, 2022
Posts: 3
Likes: 2
Jan 1, 2022 - #12
Thanks for the answer. You have shown the solution for a Macintosh Classic. I think my Mac Video Adapter FSI 1988 was installed in a Macintosh SE. I found a blurry photo on the net. There is a clip at the end of the white wire, this is probably connected directly to a chip.
But to which one and to which pin?



LG Rappi
Attachments:
1641078486031.png [View]

RetroViator
Tinkerer
--------
Joined: Oct 30, 2021
Posts: 89
Likes: 110
Jan 2, 2022 - #13
Perhaps related, earlier today I watched this video explaining that Myst was made on a Mac SE with a clip attached to a board that allowed the SE to connect to a color display. (Timestamp 7:31).

The video identifies it as ScuzzyGraph II.

Liked by JeffC

Rappi
New Tinkerer
--------
Joined: Jan 1, 2022
Posts: 3
Likes: 2
Jan 4, 2022 - #14
Thanks for the answers.

I have now searched further on the internet and my current knowledge is that this plastic part
is connected to one of the LS245.




After quite a deep search I have also found the associated plastic part. This fits exactly over 6 pin (3 left / 3 right). One of the middle pin has a metal connection to the white wire.



Now the only question is, which pin must be connected there? Can it be that PIN 19 is connected?
Is the clock tapped there? Or do you have another idea?




LG Rappi
Attachments:
1641328019520.png [View]
1641327989104.png [View]
1641327776804.png [View]
1641327856735.png [View]

Liked by JDWandwarmech

warmech
Tinkerer
--------
Joined: Oct 30, 2021
Posts: 82
Likes: 106
Jan 4, 2022 - #15
>> RetroViator said:
Perhaps related, earlier today I watched this video explaining that Myst was made on a Mac SE with a clip attached to a board that allowed the SE to connect to a color display. (Timestamp 7:31). The video identifies it as ScuzzyGraph II . Click to expand...

I know this is generally unrelated, but the extended version of that interview with Rand Miller is absolutely worth checking out. It's an hour and forty-seven minutes long, but it gives an amazingly personal, in-depth look at what "indie" game development was like at the time.

Liked by RetroViator

jcs
Tinkerer
Chicago
--------
Joined: Oct 30, 2021
Posts: 31
Likes: 66
Jan 28, 2022 - #16
>> alxlab said:
There used to be an LCD Panel that you put on an overhead projector to project the Mac Screen onto a larger screen, it was for the 128K - Plus and SE Series Macs. That is the adapter for that LCD Panel. It goes onto the mother board and the analog board plugs into it so you wont lose the original video, and then a third cable comes out of the case to the LCD Panel. Click to expand...

I got one of those on eBay last year:
Attachments:
2021-06-15_162701_edited.jpeg (1.9 MB)
2021-06-15_162714_edited.jpeg (1.8 MB)
2021-06-15_162737_edited.jpeg (1.9 MB)
2021-06-15_162822_edited.jpeg (1.7 MB)
2021-06-15_162830.JPG (1.6 MB)
2021-06-15_162838.JPG (1.7 MB)
2021-06-15_162931_edited.jpeg (1.7 MB)
2021-06-15_162939_edited.jpeg (1.6 MB)

Liked by fehervaria,rjkucia,alxlaband 4 others

jcs
Tinkerer
Chicago
--------
Joined: Oct 30, 2021
Posts: 31
Likes: 66
Jan 28, 2022 - #17
More photos:
Attachments:
2021-06-15_163058_edited.jpeg (1.4 MB)
2021-06-15_163113_edited.jpeg (1.4 MB)
2021-06-15_164451.JPG (1.7 MB)
2021-06-15_164902_edited.jpeg (2.2 MB)
2021-06-15_164907.JPG (1.3 MB)
2021-06-15_170225.JPG (1.4 MB)

Liked by madcow,Kai Robinson,fehervariaand 5 others

JDW
Administrator
Japan
--------
Joined: Sep 2, 2021
Posts: 2,534
Likes: 1,982
Jan 28, 2022 - #18
>> jcs said:
I got one of those on eBay last year: Click to expand...
My goodness you got an amazing kit. How much did it cost?
If you have a projector, I'd absolutely LOVE to see how it looks when projected onto a wall!

jcs
Tinkerer
Chicago
--------
Joined: Oct 30, 2021
Posts: 31
Likes: 66
Jan 28, 2022 - #19
>> JDW said:
My goodness you got an amazing kit. How much did it cost? If you have a projector, I'd absolutely LOVE to see how it looks when projected onto a wall! Click to expand...
I bought it for $100 but I didn't have a projector and beyond the novelty of it, I didn't really have any use for it, so I sold it a few months later (for $199 [grimacing-face]) From my limited testing, the interface was a bit laggy.

JDW
Administrator
Japan
--------
Joined: Sep 2, 2021
Posts: 2,534
Likes: 1,982
Jan 30, 2022 - #20
>> jcs said:
I bought it for $100 but I didn't have a projector and beyond the novelty of it, I didn't really have any use for it, so I sold it a few months later (for $199 ) From my limited testing, the interface was a bit laggy. Click to expand...
If you ever have the desire to contact the buyer, please invite him to this thread. It's truly a rare item, and having some real-world testing on a projector would be pretty amazing.

Liked by retr01andrjkucia

Page 1 of 6 | Next > | Last >>

Home | Forums | What's New | Search | Bookmarks | RSS | Original | Settings
XenForo Retro Proxy by TinkerDifferent.com